◎ VDI40-MT-ER32 Axial Offset Driven Tool Holder_Int.
◎ Tool Holder is produced in accordance with DIN 69880.
◎ Driven Coupling is according to SPUR MT TOEM.
◎ ER Collet is according to DIN6499.
◎ For left hand and right hand turret.
◎ Further option : 6000 RPM
◎ Gear Ratio:1:1
◎ R.P.M.:Max. 5,000 RPM
◎ Internal Coolant:30 bar

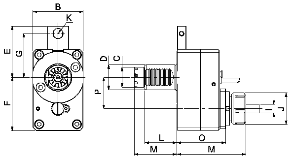
| Model No. | B | D | E | F | G | I | J | K | L | M | N | O | P | N.W. (KG) |
| THB-C05.50-40DI | 80 | 40 | 75/82 | 85 | 63/70 | ER32(3~20) | 50 | 16 | 51 | 72 | 110 | 77.5 | 50 | 6.3 |
Unit:mm